| HY-20ST-I25 技术参数 | |
| 产品型号 | HY-40ST |
| 承载面积 | 最大承载44m² |
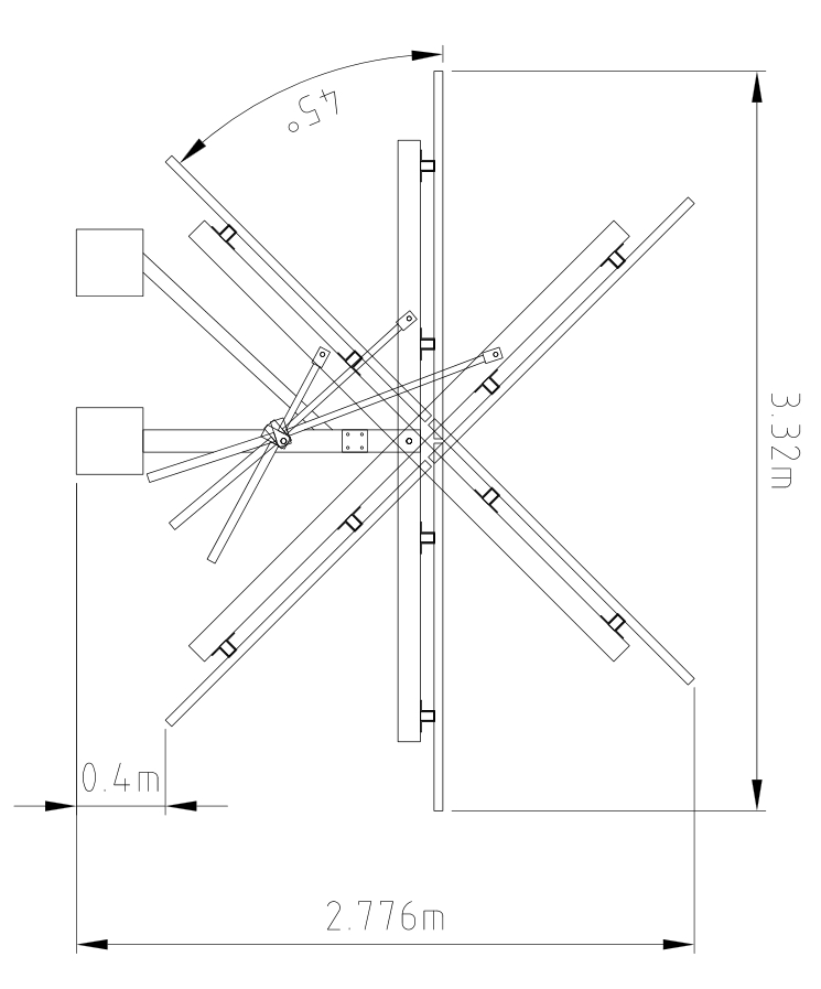
| 跟踪精度 | ±1.5° |
| 跟踪系统形式 | 单台独立系统 |
| 控制方式 | PLC无线集中控制+角度传感器 |
| 组件排列形式 | 横向或纵向 |
| 可安装组件功率 | 250Wp--330Wp |
| 最多安装组件数量/台 | 最多40个组件 |
| 跟踪控制系统功率/台 | 20W/台 |
| 跟踪范围(东西向) | -45°--- +45° |
| 电机电压 | DC24V or AC220V/AC110V |
| 电控箱 | IP65 |
| 最大工作风速 | 25m/s |
| 最大静态风速 | 42m/s |
| 发电量最大提升幅度 | 最大增发电量15% |
| 设计寿命 | >25years |
| 钢构件表面处理方式 | 热镀锌 |
| 基础形式 | 灌注桩、条基、地锚 |
| 认证 | ISO9001 |
| 质保期 | 钢结构: 10年 ;电控系统: 5年 |