achieve leadership in solar tracker industry

achieve leadership in solar tracker industry

Single Axis Tracker System

Single Axis Tracker System HY-40ST

Contact Us
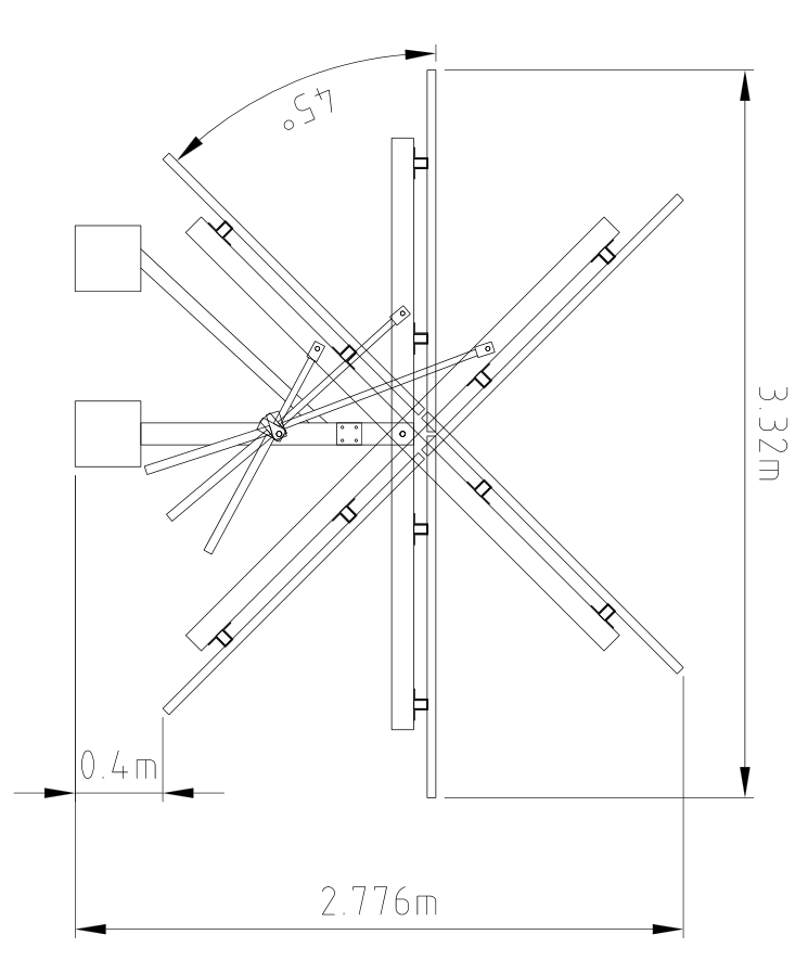
HY-40ST TECHNICAL Datasheet
Product Model HY-40ST
Surface Area Up to 44m²
Tracking accuracy ±1.5°
Tracking type Standalone Single axis tracker
Control type Wireless PLC+MCU+Angle sensor
Module Arrangement Landscape or Portrait
Installed solar panel type 250Wp--330Wp
Installed solar panel number Up to 40 modules
Tracking control system power 20W per tracker
Tracking range -45°--- +45°
Motor voltage DC24V or AC220V/AC110V
Electrical cabinets IP65
Maximum working wind speed 25m/s
The maximum wind speed 42m/s
The power output increasing Up to 15%
Life time >25years
Steel parts surface treatment Hot dip galvanized
Foundation Type Strip foundation, Filling pile, Screw Pile
Qualifications ISO9001
Warranty Mechanical parts:10 years; Electrical parts:5 years; (Extend warranty can be provided at an additional cost)